Laboratoř robotů je vybavena kolaborativním robotem CRB 15000 GoFa od společnosti ABB. Na tomto robotu si studenti mohou vyzkoušet jak klasické způsoby ovládání a programování, tak i intuitivní programování pomocí metody lead-through (ručního vedení robota).
V laboratoři se studenti seznamují s praktickými aplikacemi kolaborativních robotů (cobotů) v automatizovaných pracovištích a mají možnost vyzkoušet si programování a nastavení takového systému, včetně práce s průmyslovými kamerami. Díky tomu získávají zkušenosti s moderní technologií, která dnes v řadě aplikací představuje alternativu ke klasickým průmyslovým robotům.

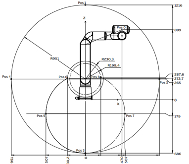
Obrázek 1: Pracovní rozsah CRB 15000 (zdroj: datasheet)